Power & Source of Big Ideas

Sdcard Boot Problem

Moderator: FATechsupport

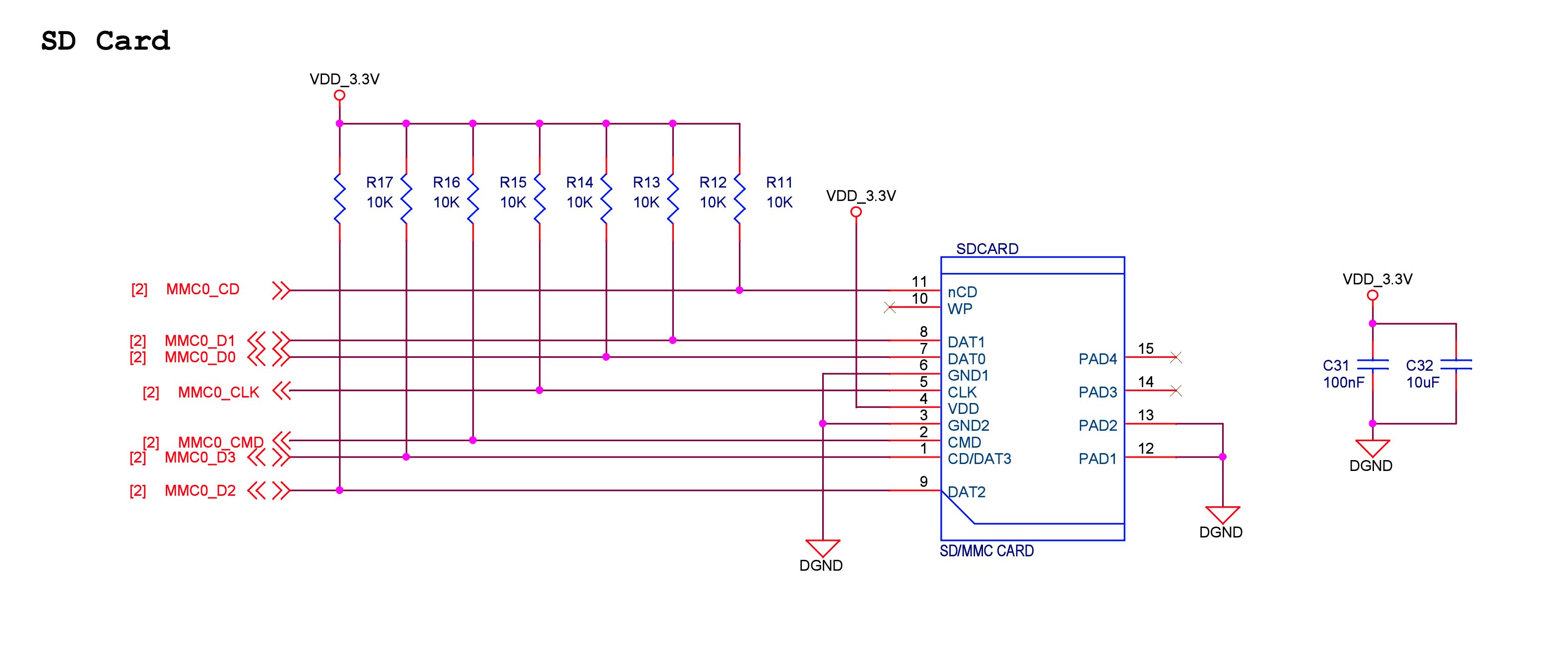
I buy a Smart6818 2gb model from aliexpress. It cames with android image (as i can understand from uart) and it boots emmc with default. But i didnt buy expansion board (i buyed bare board) and i make sdcard slot for it (i supply by 3.3v) and give 10K to pins like your expansion scheme.
Screen Shot 2020-09-29 at 13.01.29 copy.jpg
Screen Shot 2020-09-29 at 13.01.29 copy.jpg (173.49 KiB) Viewed 25857 times


After that i connect BOOT_CS with ground like your explanation at http://wiki.friendlyarm.com/wiki/index. ... 8#Pin_Spec

But red led and 2 green led (all leds) light constantly. and it couldnt boot anything and hangs on serial monitor (UART0). I tried nearly all images on https://drive.google.com/drive/folders/ ... -mxzT84CH1 (except wrt ) but nothing work correctly. Boot pin ok sdcard ok , i check wires again and again. But it couldnt boot from sdcard. How can i enable boot without get your expansion board?
Can you show us a picture of how this is wired up to the Smart6818?
i dont really know the problem because i have tested pins a lot of time but its working on smart development board correctly. Maybe something wrong with sd card slot . Thank you for your reply.

Who is online

In total there are 4 users online :: 0 registered, 0 hidden and 4 guests (based on users active over the past 5 minutes)
Most users ever online was 13606 on Thu Mar 26, 2026 3:27 pm

Users browsing this forum: No registered users and 4 guests